-
進口溫度(℃):
20
-
出口溫度(℃):
170
-
適用范圍:
醫院,學校,紡織服裝行業,大型超市,酒店賓館,食堂餐廳,食品飲料行業,酒廠,制衣廠,制藥廠,建材廠,涂料廠,飼料廠,塑料廠,橡膠,游泳館,洗浴中心,小區居民樓取暖
-
用途:
生活鍋爐,工業鍋爐
-
循環方式:
自然循環
-
燃燒方式:
室燃爐
-
傳熱介質:
蒸汽,熱水
-
出口壓力:
低壓
-
結構形式:
臥式
-
蒸噸(t/h):
0.2噸,0.3噸,0.5噸,0.7噸,1噸,2噸
-
加工定制:
是
-
是否現貨:
是
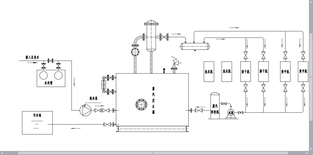
燃氣蒸汽發生器
燃燒器釋放熱量,先通過輻射傳熱被水冷壁吸收,水冷壁的水沸騰汽化,產生大量蒸汽進入汽包進行汽水分離,分離出的飽和蒸汽進入過熱器,通過輻射、對流方式繼續吸收爐膛頂部和水平煙道、尾部煙道的煙氣熱量,并使過熱蒸汽達到所要求的工作溫度。
優點
燃油燃氣全自動蒸汽發生器優點有很多,汽化更安靜,減少水的攜帶,蒸發面大;蒸汽更干,品質高,減少管壁的結垢;紊流火焰逆流向下形成渦流,加強了在循環混合,提高了熱效率。 屬國家免檢產品,沒有復雜的審批手續也節省了一筆審批費用。
2、燃料是屬于可再生生物質燃料,其運行成本是電鍋爐五分之一,是油鍋爐三分之一。
3、爐膛內采用三面立體循環配風,并有二次補氧口,燃燒完全,排放沒有肉眼可見的煙塵,完本達到國家關于鍋爐的排放要求。
4、控制系統安全保護功能有低水位、過熱、超壓等多重保護,確保無安全引患
5、安全控件壓力表、安全閥及壓力開關都采用優質品牌,保證產品的質量和使用壽命。
6、蒸發器整機出廠。補水系統、燃燒系統、進料系統、點火系統、配風系統均集為一體,采用傻瓜式操作系統,一鍵操作,全自動運行。
技術優勢
1.該產品屬于國家免檢,免除了繁雜的報批年審手續
2.此款蒸汽發生器出廠為組合式整機,安裝簡便,無須請專業安裝隊人員安裝,同時也節省了大量安裝材料
3.所用燃料為節能環保的生物質燃料,屬于節能環保的可再生資料,來源廣泛,經濟實惠,其運行成本是電鍋爐的六分之一,是燃油鍋爐的三分之一。燃燒過程中無煙無塵,燃料完全燃燒后僅有少量粉末狀灰分殘余物,留存于集灰室,容易處理
4.內置式汽水分離器,解決了蒸汽帶水的難題,更加保證了蒸汽的優質性
5.一步到位的全自動控制。只需要將水、電接好,按下開關鍵,鍋爐便自動進入全自動運行狀態,安全更省心。
6.具有連鎖安全保護功能,保證產品質量及顧客利益
應用領域
洗滌熨燙行業:干洗機、烘干機、水洗機、脫水機、熨平機、熨斗、等設備配套使用
包裝機械行業:貼標機、套標機配套使用
生物化工行業:發酵罐、反應釜、夾層鍋、攪拌機、乳化機等設備的配套使用
食品機械行業:豆腐機、蒸箱、滅菌罐、包裝機、涂料設備、分口機、等設備的配套使用
其他行業:(油田、汽車)蒸汽清洗行業、(賓館、宿舍、學校、攪拌站)熱水供應、(橋梁、鐵路)混凝土養護、(休閑美容會所)桑拿洗浴、熱交換設備等
